• 回到顶部
  • 0755-82221901
  • E+H专家
  • 加微信询价

搜索

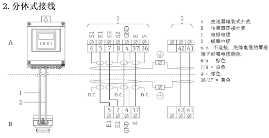
Promag 400的接线

网站首页    技术支持    安装接线    Promag 400的接线
2022-11-30 23:39
浏览量:131
收藏