PMP43操作

PMP43是一款紧凑型数字式压力变送器,带金属膜片传感器的过程压力测量仪表。其测量原理是外界压力导致传感器的金属膜片发生形变。填充液将压力传输至惠斯顿电阻桥路(半导体技术) 上。测量与压力变化相关的桥路输出电压,并进行后续计算处理。测量系统包括plc与设备。通信和数据处理为4 … 20 mA 叠加HART数字量信号,两线制。可选配蓝牙。
PMP43 的输出信号分为以下两类,具体参数及模式说明如下:
- 4…20 mA 叠加 HART 数字量信号(两线制):该类型信号支持三种不同的电流输出模式,可根据实际需求灵活配置。
- 4…20.5 mA 信号(符合 NAMUR NE 43 标准):包含两种规格,分别为出厂默认设置的 3.8…20.5 mA,以及美标规格的 3.9…20.5 mA。
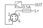
其电气连接方式如图

供电电压为12-30 V DC(直流供电单元)。4 … 20 mA 通信的要求与HART通信相同。防爆型设备必须使用电气隔离的有源安 全栅。 安装极性反接保护、高频干扰抑制及过电压保护回路。在非防爆危险区使用该设备时,需严格遵循相关安全规范与防护标准:一方面,必须保证设备工作电流不超过500 mA,且满足IEC 61010标准规定的仪表安全要求,以此保障电路安全、避免过载引发的故障风险;另一方面,设备内置的过电压保护单元需符合IEC 61326-1产品标准,同时需根据连接类型按该标准施加对应测试电压,并执行浪涌抗扰度测试(依据IEC 61000-4-5 Surge标准),其中直流电线路和输入/输出线路的线对地测试电压为1000 V,以验证设备抗瞬时高电压浪涌的能力;此外,该设备的过电压保护等级适用于过电压保护类别II的系统,且符合IEC 61010-1标准,可有效抵御配电系统中常见的瞬时过电压,进一步确保设备在非防爆危险区的稳定安全运行。
接线端子的连接必须按照下图接线

下面我们开始介绍,如何操作。我们可以看到操作界面的示意图。

可以看到上面对指示灯的解释,我们根据需求选择对应的指示灯即可。短按(< 2 s)或长按(> 2 s)操作按键E即可操作设备。短按E操作按键:在各功能参数之间切换 按下并按住E操作按键:选择功能参数 如果已选中功能参数,LED指示灯闪烁。 不同闪烁状态表示功能参数处于激活状态还是未激活状态。
关闭键盘锁步骤:1. 按下并按住E操作按,蓝牙LED指示灯闪烁。 2. 反复短按E操作按键,直至键盘锁LED指示灯闪烁。 3. 按下并按住E操作按键,键盘锁功能被禁用。
启用或禁用Bluetooth®蓝牙连接 1. 如需要,禁用键盘锁定功能。 2. 反复短按E操作按键,直至蓝牙LED指示灯闪烁。 3. 按下并按住E操作按键。 Bluetooth®蓝牙连接启用(Bluetooth®蓝牙LED指示灯亮起),或Bluetooth® 蓝牙连接禁用(Bluetooth®蓝牙LED指示灯熄灭)。
通过现场显示单元可访问操作菜单,实现多项功能操作:不仅能显示测量值、故障信息与提示信息,出现错误时还会同步显示图标;该现场显示单元为电子式可调设计,支持自动或手动调整测量值显示(每次旋转90°),且测量值显示会根据设备启动时的方向自动旋转¹;同时,可通过带触控功能的现场显示单元进行基本设置²,包括锁定开/关、选择显示语言、蓝牙开/关,也能借助调试向导完成基本设置,还可读取设备信息(如名称、序列号、固件版本号)、查看当前诊断与状态信息、执行设备复位;此外,在明亮光线条件下显示颜色可自动反转,背光显示则会根据端子电压自动调整。
到此基本操作,我们已经介绍完毕。
友情链接
服务范围
工业自动化产品专业代理,品质保证
技术领先,价格优势,报价迅速,产品全面
技术选型,产品报价,销售安装,工程售后,为您提供工业自动化一站式服务
自动化专业销售
Tel. 19925440503(微信同号) WhatsApp: +86 18576429229
联系工程师
扫码添加WhatsApp
