FMU30超声波物位测量仪安装接线注意事项
FMU30超声波物位测量仪安装接线注意事项
一、安装注意事项
安装是确保FMU30准确测量的基础,涉及位置选择、环境条件、机械固定和后期验证。手册强调,安装错误可能导致信号干扰或测量失败。以下是关键注意事项:
1. 安装条件与环境要求
§ 位置选择:避免将传感器安装在罐体中央,推荐传感器与罐壁间距为罐体直径的1/6,以减少干扰。信号波束角(α)范围内不得有装置如限位开关或加热线圈:

例如,1½°传感器在5m量程时最大波束半径0.48m,需确保此范围内无遮挡物。
§ 特殊场景处理:
§ 导波管安装:在狭长或强干扰环境(如废水管),使用最小管径100mm的导波管(PE或PVC),并定期清洁以避免灰尘积聚。
§ 流量测量:仪表需安装在液体流入侧,传感器膜片平行于水面。例如,文丘里水槽安装时,仪表应位于中心线上方:

三角堰安装需满足特定距离要求:

§ 环境因素:防护罩必须安装以防日晒雨淋,过程温度范围为-20~60°C,过程压力为0.7~3bar abs)。高蒸汽压力介质(如乙醇)可能影响精度,需咨询厂商。
2. 测量范围与盲区处理
§ 盲区距离(BD):物料最高物位不得进入盲区(例如2*传感器BD为0.35m),否则信号无法识别。安装短管时,内壁必须光滑无毛刺,末端斜切45°以最小干扰:

BD盲区距离 F满标(满量程) SD安全距离 D安装短管管径 E空标 L安装短管长度
§ 安全距离(SD):在功能参数015中设置SD值,物位进入SD时仪表触发警告或报警,防止溢出风险。
3. 安装步骤与机械固定
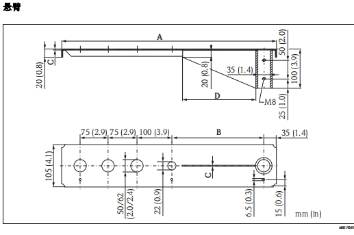
§ 固定方法:使用安装支架、螺纹法兰或悬臂。例如,悬臂配合支架安装:

螺栓紧固时仅需旋入螺纹,使用65AF扳手施加扭矩max. 7 Nm:

小心过紧导致密封损坏。
4. 安装后检查
安装完成后执行目视和工况检查:
§ 仪表无损伤,符合过程温度/压力要求。
§ 缆塞拧紧,外壳密封完好。
§ 验证测量范围与实际工况匹配。
二、接线注意事项
接线涉及电气安全和信号稳定性,手册警告接线错误可能导致设备故障或安全风险(第4.1节)。防爆应用需额外遵循《安全指南》(第1.3节)。
1. 接线步骤与安全措施
§ 准备与警告:
§ 关闭电源,确认供电电压匹配(14-35V DC)(第4.3节)。
§ 危险区应用需使用指定缆塞,遵守国家标准(第4.1节)。
§ 等电势连接端必须可靠接地,横截面积≥2.5mm²(14AWG),长度尽量短以减少EMC干扰(第4.4节):

§ 接线流程(第4.1.1节):
§ 拧下外壳盖,拆除显示单元(可选)。
§ 电缆从顶部插入缆塞(形成排水回路),屏蔽层连接接地端。
§ 按端子分配图接线:
§ 拧紧缆塞,装回显示单元和外壳盖。
§ 上电测试。
2. 端子分配与电压管理
§ 端子功能:接线端子支持电缆横截面积0.25-2.5mm²(第10.1.3节),具体分配为:
§ 端子1-2:电源输入(14-35V)。
§ 端子3-4:电流输出(4-20mA)。
§ 电势平衡:防爆应用中,传感器端必须单独接地,避免多点接地引入干扰(第4.4节)。
3. 连接后检查
接线完成后验证(第4.5节):
§ 端子分配正确,缆塞和外壳盖拧紧。
§ 上电后显示单元是否正常(第5.1节),如有错误代码(如A231传感器故障)需排查。
友情链接
服务范围
工业自动化产品专业代理,品质保证
技术领先,价格优势,报价迅速,产品全面
技术选型,产品报价,销售安装,工程售后,为您提供工业自动化一站式服务
自动化专业销售
Tel. 19925440503(微信同号) WhatsApp: +86 18576429229
联系工程师
扫码添加WhatsApp
