T-mass 65接线
T-mass 65接线
一、检查铭牌

1、订货号/系列号
2、供电电源/频率、 电源功耗(注意电源时220VAC ,还是24VDC )
3、输入/输出:I-OUT ( HART) : 电流输出(HART) f-OUT :频率输出RELAY :继电器输出
5、请指出操作结构/文件
6、设备版本的保留的附加信息(认证、证书)
7、允许环境温度范围
8、防护等级
二、接线腔的铭牌

1.系列号
2.电流输出的可能的组态A: active有源P :passive无源
3.继电器可能的组态: NO :常开继电器NC :常闭继电器
4.端子分配端子号1 : AC交流L1 , DC直流L+端子号2 : AC交流N , DC直流L-
5.端子号( 20-27 )的可能的组态
6.当前安装设备的软件版本
7.安装通讯的类型:如HART、PROFIBUS PA等
8.电流通讯软件的信息(设备版本和设备描述)e.g: Dev.01 / DD 01 for HART
9.制造日期
10.6到9点的更新的日期
二、分体式质量流量计的传感器和变送器之间接线

A.墙装仪表外壳连接:无防爆区域和ZONE 2 (
B.区域外壳; Zone 1传感器连接外壳盖
C.分体式插入式传感器
D.分体式法兰式传感器
分体式热式质量流量计颜色/接线端子号:41=white白色、42=brown棕色、 43- 绿色、44=yellow黄色
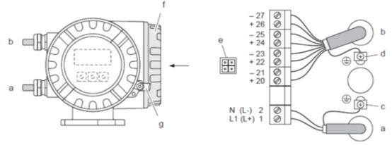
三、送器的接线

连接变送器(铝壳) ; 电缆内径:最大2.5 mm2
a.供电电缆: 85 to 260V AC, 20to55 V AC, 16to62VDC
端子号1: AC交流L1 , DC直流L+
端子号2: AC交流N, DC直流L-
b.信号电缆:端子号20- -27
c.保护接地端子
d.信号电缆屏蔽的接地端子
e.连接服务借口(Fieldcheck, FieldCare)的服务接口
a.连接接线腔的表盖
g.内角螺丝表盖锁扣

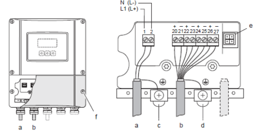
连接变送器(墙装仪表) ;电缆内径:最大2.5mm2
a.供电电缆: 85 to 260V AC, 20to 55 V AC, 16to62VDC
端子号1 : AC交流L1 , DC直流L+
端子号2 : AC交流N, DC直流L-
b.信号电缆:端子号20- -27
c.保护接地端子
d.信号电缆屏蔽的接地端子
e.连接服务借口(Fieldcheck, FieldCare)的服务接口
f.连接接线腔的表盖
四、端子分配

输出信号
电流输出:
有源/无源输出可选,电气隔离,时间常数可选(0.0 ..100s),满量程值可调,温度系数的典型值为0.005% o.f.s. /°C ,分辨率为0.5 μA
●有源信号: 0/4.... 20mA, RL < 700. Q(HART:RL≥250Q)
●无源信号:4...20mA ;供电电压Vs为18... 30VDC;Ri≥150Q
当电流输出被设置为温度输出时,请遵守EN 6075CI. B标准的要求。
脉冲/频率输出:
有源/无源输出可选,电气隔离
●有源信号:24VDC,25mA(20ms内,max.250 mA) , RL > 100∩(可更换通信模块(I/O)、接线端分配)
●无源信号:集电极开路,30VDC,250 mA
●频率输出:截止频率为2..1000Hz(fmax=1250Hz),开/关比为1:1,最大脉冲宽度为2s ,时间常数可选(0.0 .... 100 s)
●脉冲输出:脉冲值和脉冲极性可选,脉冲宽度可调(0.05.. 2000 ms,出厂设置值为20 ms)
开关输出:
继电器输出:常闭(NC或断开)或常开(NO或闭合)触点可选(出厂设置:继电器1为NO触点,继电器2为NC触点),max.30V/0.5AAC;60V/0.1ADC,电气隔离。
可设置为:故障信息,限流值
输入信号:
电流输入:
有源/无源输入可选,电气隔高;分辨率为2uA.
●有源信号: 4....20mA, Ri≤150 Q,Uout =24VDC,短路保护
●无源信号: 0/4...20mA. Ri≤150 Q,Umax= 30V DC可设置为:励表、气体分析仪
友情链接
服务范围
工业自动化产品专业代理,品质保证
技术领先,价格优势,报价迅速,产品全面
技术选型,产品报价,销售安装,工程售后,为您提供工业自动化一站式服务
自动化专业销售
Tel. 19925440503(微信同号) WhatsApp: +86 18576429229
联系工程师
扫码添加WhatsApp
