Promass 80接线
Promass 80接线
一 . 检查变送器铭牌

[点击图片放大]
1、变送器名称
2、订货号
3、 系列号
4、 扩展订货号
5、供电电源/频率、电源功耗(注意电源时
220VAC ,还是24VDC )
6、附加功能和软件
7、有效地输入/输出
8、 预留有关特殊的产品信息
9、指出操作结构/文件
10、预留证书、认证以及在设备版本上附加信息
11、专利权
12、防护等级.
13、环境温度
二、检查接线腔

[点击图片放大]
1、系列号
2、可能的输入和输出
3、输入和输出信号
4、电流输出组态
5、继电器组态.
6、端子分配,电源电缆
7、端子分配和输入和输出的组态(看点4和5 )
8、当前设备软件安装的版本(设备版本SW )
9、安装通讯的类型(通讯)
10、当前通讯软件的信息(驱动:设备版本和设备描述) 6到9点的更新的日期.
12、当前更新指定6到11点日期.
A: Active有源电流输出,不需外供电;
P : Passive无源电流输出,需要外供电。
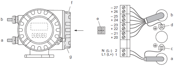
二、 分体式质量流量计的传感器和变送器之间接线

[点击图片放大]
a、墙装仪表:非防爆区域和ATEX I13G/zone 2
b、墙装仪表: ATEX I2G / Zone 1 /FM/CSA
c、分体式版本、法兰版本
d、连接部件和连接壳体的盖子
e、连接电缆
分体式质量流量计接线端子号: 4/5-- S1灰色、6/7--S2绿色、8- -GND黄色9/10--TM粉红色、11/12- -TT白色、 41/42- -棕色
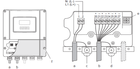
三、变送器的接线

[点击图片放大]
连接变送器(铝壳) ; 电缆内径:最大2.5 mm2
a、供电电缆:端子号1 : AC交流L1,DC直流L+端
子号2 : AC交流N , DC直流L-
b、信号电缆:端子号20- -27
c、保护接地端子
d、信号电缆屏蔽的接地端子
e、连接服务借口(Fieldcheck, FieldCare)的服务接
f、连接接线腔的表盖
g、内角螺丝表盖锁扣

[点击图片放大]
连接变送器(不锈钢壳) ; 电缆内径:最大2.5mm2
a、供电电缆:端子号1 : AC交流L1 , DC直流L+端子号2 : AC交流N , DC直流L-
b、信号电缆:端子号20- -27
C、保护接地端子
d、信号电缆屏蔽的接地端子
e、连接服务借口(Fieldcheck, FieldCare)的服务接口
f、连接接线腔的表盖

[点击图片放大]
连接变送器(墙装仪表) ; 电缆内径:最大2.5mm2
a、供电电缆:端子号1 : AC交流L1 ,DC直流L+端子号2 : AC交流N , DC直流L-
b、信号电缆:端子号20- -27
c、保护接地端子
d、信号电缆屏蔽的接地端子
e、连接服务借口(Fieldcheck, FieldCare)的服务接
f、 连接接线腔的表盖
四、端子分配

[点击图片放大]
状态输入(辅助输入):电气隔离,330VDC,Ri=5kQ,可设置状态输出:集电极开路, max. 30V DC/250mA.,电气隔离,可设置频率输出(无源) :集电极开路,电气隔离, 30V DC/250mA-频率输出:满量程频率2... 1000Hz(fmax= 1250Hz),开/关比1:1,脉冲宽度max.2s--脉冲输出:脉冲值和脉冲极性可选,脉冲宽度可调( 0.5...2000ms )电流输出(有源/无源) :电气隔离,有源:4..0mA.R<700Q,HART:Rz. 2500无源: 4..20mA;电源V 18 30V DC: R≤700Q
友情链接
服务范围
工业自动化产品专业代理,品质保证
技术领先,价格优势,报价迅速,产品全面
技术选型,产品报价,销售安装,工程售后,为您提供工业自动化一站式服务
自动化专业销售
Tel. 19925440503(微信同号) WhatsApp: +86 18576429229
联系工程师
扫码添加WhatsApp
