Promag 53电磁流量计接线
Promag 53电磁流量计接线
一、检查铭牌

1、 订货号/系列号
2、 电源物东电源功耗(注意电耐220VAC .还是24VDC)
3、附加信息:EPD/MSU:用空管检测电极ECC:使用电极清洗
4、输入/输出:-OUT(HART) :电流输出( HART )f-OUT :频率输出STATUSIN :状态输入
5、预留有关特殊的产品信息
6、环境温度”
7、防护等级

1.系列号
2.电流输出的可能的组态A : active有源P :passive无源
3.继电器可能的组态: NO :常开继电器NC :常闭继电器
4.端子分配端子号1 : AC交流L1 , DC直流L+端子号2 : AC交流N , DC直流L-
5.端子号( 20-27 )的可能的组态
6.当前安装设备的软件版本
7.安装通讯的类型:如HART、PROFIBUS PA等
8.电流通讯软件的信息(设备版本和设备描述)
9.安装日期
10.6到9点的更新的日期
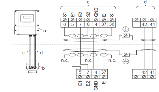
二.分体式质量流量计的传感器和变送器之间接线

a.墙装仪表外壳连接部分
b.传感器连接外壳盖
C.信号电缆
d.线圈电流电缆n.c.不连接,电缆屏蔽分体式电磁流量计颜色/接线端子号: 5/6=braun棕色、7/8=white白色、4- -GND绿色、37/36=yellow黄色
三、变送器的接线

连接变送器(铝壳) ;电缆内径:大2.5 mm2
a、供电电缆:端子号1 : AC交流L1 , DC直流L+端子号2 : AC交流N , DC直流L-
b、信号电缆:端子号20- -27
c、保护接地端子
d、信号电缆屏蔽的接地端子
e、连接服务借口(Fieldcheck, FieldCare)的服务接
f、连接接线腔的表盖
g、内角螺丝表盖锁扣

连接变送器(不锈钢壳) ; 电缆内径:最大2.5mm2
a、供电电缆:端子号1 : AC交流L1 , DC直流L+端子号2 : AC交流N , DC直流L-
b、号电缆:端子号20- -27
c、保护接地端子
d、信号电缆屏蔽的接地端子
e、连接服务借口(Fieldcheck, FieldCare)的服务接
f、连接接线腔的表盖

连接变送器(墙装仪表) ; 电缆内径:最大2.5mm2
a、供电电缆:端子号1 : AC交流L1 , DC直流L+端子号2 : AC交流N , DC直流L-
b、信号电缆:端子号20-27
c、保护接地端子
d、信号电缆屏蔽的接地端子
e、连接服务借口(Fieldcheck, FieldCare)的服务接
f、连接接线腔的表盖
四、端子分配

Promag 53
电流输出
有源/无源输出可选,电气隔离,时间常数可选(0.01.. 100s) ,满量程值可调,温度系数的典型值为0.005% o.r./*C (o.r. =读数值的) ,分辨率为0.5 iA
●有源信号: 0/4... 20mA, RL < 7000 (HART :RL≥2500
●无源信号:4...20mA ;工作电压Vs为18..30VDC,Ri≥150 U
脉冲/频率输出
有源/无源输出可选,电气隔离(本安(Exi)型:仅提供无源输出)
●有源信号: 24VDC, 25 mA (20ms内,max.250mA),RL>100U
●无源信号:集电极开路,30V DC, 250 mA
●频率输出:截止频率为2... 10000 Hz (fmax =12500 Hz), EEx-ia 场合为2.. 5000Hz ;开/关比为1:1 ,最大脉冲宽度为10 s
●脉冲输出:脉冲值和脉冲极性可选,最大脉冲宽度可调(0.05.. 2000 ms)
状态输出(Promag 50,Promag 53)集电极开路,max. 30V DC / 250 mA,电气隔离可设置为:故障信息、空管检测功能(EPD)、流向、限流值
继电器输出(Promag 53)常闭(NC或断开)或常开(NO或闭合)触点可选(缺省设置:继电器1为NO触点,继电器2为NC
触点)max.30V /0.5AAC ; 60V /0.1 ADC,电气隔离可设置为:故障信息空管检测功能(EPD)、流向、限流值、批量控制触点
友情链接
服务范围
工业自动化产品专业代理,品质保证
技术领先,价格优势,报价迅速,产品全面
技术选型,产品报价,销售安装,工程售后,为您提供工业自动化一站式服务
自动化专业销售
Tel. 19925440503(微信同号) WhatsApp: +86 18576429229
联系工程师
扫码添加WhatsApp
