Prosonic 91安装
一.安装位置

安装位置:安装位置测量管道为满管状态是流量计
正确测量的前提。尽可能将传感器安装在向.上的管
道上。
注意!
测量管中出现气体积聚或形成气泡现象时,会增大
测量误差。
因此,请避免管道中的下列安装位置:
●管道最高点。易积聚气体。
●直接安装在向下排空管道的上方。易出现非满管管
道状态。
二.安装方向

竖直管道:需要在竖直管道上安装传感器时,建议
选择流体自下向上流动的管道(视图A)。选择此安装
向,管道内流体静止时,其中夹杂的固体介质将
下沉,气体将上升,远离传感器。管道可完全自排
空,不会产生固体粘附。
水平管道:需要在水平管道上安装传感器时,建议
在(视图B)所示的区域内进行安装,以避免管道
顶部的气体和空气积聚,以吸管道底部的沉积物对
测量的影响。
A推荐安装方向,其中流体向上流动
B水平管道中的推荐安装范围
C建议安装角度, max.120°
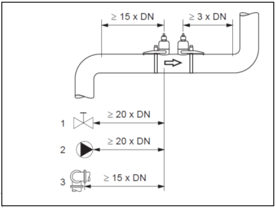
三.前后直管段

前后直管段:如可能,传感器的安装位置最好避开
阀门、三通、弯头等管件。存在两个或多个扰动源
时,应遵守最强扰动源的推荐前后直管段长度。建
议保证下列前后直管段长度,以确保满足测量精度
规范。
四.传感器的选择与安裝位置
1、安装行程
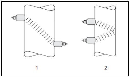
通常,采取下列两种传感器安装位置:
●单行程测量时的传感器安装位置:两个传感器分
别安装在管道的相对侧。
●双行程测量时的传感器安装位置:两个传感器同
时安装在管道的同—侧。

传感器的安装位置俯视图: .
1单行程测量时的传感器安装位置
2双行程测量时的传感器安装位置
2、传感器安装方式:
声波信号传播的行程数取决于传感器类型、管道标
称口径和管壁厚度。建议采用下列传感器安装方
式:

1)捆绑式传感器建议采取双行程测量安装位置。双
行程测量安装位置是最简单、最恰当的安装方式,
即使仅允许在管道的单侧进行操作,也可完成整个
测量系统的安装。但是,在某些特定工况条件下,
传感器采取单行程测安装位置更加合适。例如:
●壁厚> 4 mm (0.16')的某些塑料管道●带内衬管
道●声学阻尼的流体测量
2)对于复合材料(例如: GRP)管道、部分有内衬
管道、管壁厚度> 10mm (0.4)的管道,或需要进
行重声学阻尼流体流量测量时,建议采用工作频率
为0.5 MHz的传感器测量。此时,建议采取单行程
测量的W型传感器安装位置。
3)工作频率为6 MHz的传感器适用于流速<10 m
(32.8 Hz/s)介质的测量。
●插入式:带捆绑带的捆绑式安装
行程数,或单行程/双行程所需安装距离取决于:

3、安装附件
安装前,必须事先确定传感器的所需安装间距。安
装间距与流体类型、管道材料和实际管径大小相
关。变送器中已内置下表列举的常用流体、管道材
料及管道内衬材料的声速参数:
3.1内置表格

3.2安装的支架

3.3安装的变送器
可通过下列方式安装变送器:
壁式安装
●柱式安装(带专用胺装组件)
小心!
请勿超出安装点的环境温度范围(- 25...+60 °C (-
13...+ 140 f)。避免阳光直射。
如需将设备安装在暖热管道中,必须确保外壳温度
不超过最大允许温度值+60 °C

五.传感器固定方式如下:

1.安装带U形螺丝的传感器基座(小标称直径)安
装在标称直径DN≤32 (1/4")的管道上
传感器:ProsonicFlow (DN 15- 65/ 1/2 – 21/2’)

1.从传感器基座上断开传感器。
2.将传感器基座定位到管道上。
3.将U形螺丝穿入传感器基座,并稍稍润滑螺纹部
分。
4.将螺母拧到U形螺丝上
5.将基座调整到正确位置,并均匀紧固螺母。
6.可见管道面"A"必须足够平整,以确保良好的
声学接触效果。
2.安装带捆绑带的传感器基座(小标称直径)安装在
标称直径DN > 32 (11/4")的管道上
针对DN 15- 65/ 1/2 – 21/2的传感器

1.从传感器基座上断开传感器。
2.将传感器基座定位到管道上。
3.将捆绑带绕在传感器基座和管道上,注意不要扭.
绞捆绑带。
4.将捆绑带穿入捆绑带锁扣(张紧螺钉向上推)
5.用手尽量拉紧捆绑带。
6.将传感器基座调整到正确位置。
7.将捆绑螺钉压下,紧固捆绑带,使捆绑带无法滑
动。
8.如有必要,截短捆绑带后,修整切割边缘。
9.可见管道面"A" 必须足够平整,以确保良好的声
学接触效果。
3.预装捆绑带(中等标称直径)安装在标称直径DN !
≤200(8")的管道上。
针对DN 50 - 4000/ 2 - 160'的传感器:

1)安装螺栓2)捆绑带3)张紧螺钉
第一根捆绑带的安装步骤
1.将安装螺栓安装在捆绑带上。
2.将捆绑带绕在管道上,注意不要扭绞捆绑带。
3.将捆绑带末端穿过捆绑带锁扣(张紧螺钉向上推)。
4.用手尽量拉紧捆绑带。
5.将捆绑带调整到所需位置。
6.将张紧螺钉压下,紧固捆绑带,使捆绑带无法滑
动。
第二根捆绑带的安装步骤
7按第一-根捆绑带的操作步骤操作(步骤1 - 7)。 仅稍
稍紧固第二根捆绑带,以便于最终安装。捆绑带必
须可以移动,以便于做最终调整。
8.如有必要,截短捆绑带后,修整切割边缘。
4.预装捆绑带(大标称直径)安装在标称直径范围为
DN > 600 (24)的管道上
针对DN 50 - 4000/ 2 - 160'的传感器

1.测量管道周长。
2.将捆绑带截短到一定长度(管道周长+32 cm (12.6
in)) ,并修整切割边缘。
第一根捆绑带的安装步骤
3.将安装螺栓安装在捆绑带_上。
4.将捆绑带绕在管道上,注意不要扭绞捆绑带。
5.将捆绑带末端穿过捆绑带锁扣(张紧螺钉向.上推)。
6.用手尽量拉紧捆绑带。
7.将捆绑带调整到所需位置。
8.将张紧螺钉压下,紧固捆绑带,使捆绑带无法滑
动。
第二根捆绑带的安装步骤
9.按第一根捆绑带的步骤操作(步骤3 - 8)。仅稍稍
紧固第二根捆绑带,以便于最终安装。捆绑带必须
可以移动,以便于做最终调整。
5. Prosonic Flow W传感器的安装
5.1 Prosonic Flow W的安装(DN 15- 65/ 1/2 _21/2
‘)
前提条件
安装距离(传感器间距)
●传感器基座已安装
材料
安装时需要使用以下材料:
●传感器,含接头电缆
用于连接变送器的连接电缆
用于在传感器和管道之间实现声学连接的耦合剂

1根据确定的传感器间距值调整传感器的安装间
距。稍稍向下按压来移动传感器。
2.在传感器接触表面上均匀地涂上一层耦合剂
(约0.5-1mm/0.02-0.04in)。
3.将传感器外壳装在传感器基座上。
根据传感器间距值调整传感器的安装间距a)传感器
间距b)传感器接触表面

4.用胺装架固定传感器外壳。
5.将连接电缆连接到接头电缆。
5.2 Prosonic Flow W的安装(DN 50 - 4000 /2'-
160')
单行程测量的安装(DN 600 - 2000 /24'- 80')

步骤
1.准备两根测量钢丝线:
-放置端头和固定器,确保它们之间的距高等于线长
(SL)。
-将固定器拧到测量钢丝线上。
注: SL : WIRE LENGTH线长

2.布置第一根测量钢丝线:
-将固定器装在固定捆绑带的安装螺栓上。
-顺时针“走在"管道上。
-将测量钢丝线将端头套在活动捆绑带的安装螺栓
上。
3.布置第二根测量钢丝线:
-将端头装在固定捆绑带的安装螺栓上。
-将测量钢丝线逆时针”走在”管道上。
-将固定器套在活动捆绑带的安装螺栓上。
4.移动活动捆绑带(包括安装螺栓),直到两根测量 导
线都均匀张紧,然后,紧固这根捆绑带,使捆绑带
无法滑动。

5.松开测量钢丝线上的固定器螺钉,从安装螺栓上
拆下测量钢丝线。
6.将传感器基座装在各个安装螺栓上,用固定螺母
牢牢紧固。

7.在传感器接触表面上,从凹槽经过中心至对面边
缘,均匀涂上一层耦合剂,厚度大约为1 mm
(0.04)。.

8.将传感器插入传感器基座。
9.将传感器压在传感器基座上,旋转直到:
-
“咔嗒”一声啮 合传感器外壳
-箭头![]()
"close" )相互对准。
10.将连接电缆接入各个传感器。
安装过程到此结束。使用连接电缆将传感器连接到
变送器。
安装传感器及连接连接电缆
双行程测量的安装(DN 50- 600 /2'- 24")

步骤
1利用安装导轨尺定位捆绑带。
-将安装导轨尺上标有"POSITION SENSOR /传感:
器位置”特定字母的钻孔套在固定捆绑带安装螺栓
上。
-调整活动捆绑带的位置,将标有"POSITION
SENSOR /传感器位置”特定数值的钻孔套在安装导
轨尺上。
利用安装导轨尺确定距离(例如,“POSITION
SENSOR G22”/“传感器位置G22” )

2.紧固活动的捆绑带,使其无法滑动。
3.从安装螺栓_上拆下安装导轨尺。
4.将传感器基座装在各个安装螺栓上,用固定螺母
牢牢紧固。

5.在传感器接触表面上,从凹槽经过中心至对面边
缘,均匀涂上一层耦合剂,厚度大约为1 mm
(0.04")。

6.将传感器插入传感器基座。
7.将传感器压在传感器基座上,旋转直到:
"咔嗒”一 声啮合传感器外壳
-箭头( "close" )相互对准。
8.将连接电缆接入各个传感器。
安装过程到此结束。使用连接电缆将传感器连接到
变送器。
友情链接
服务范围
工业自动化产品专业代理,品质保证
技术领先,价格优势,报价迅速,产品全面
技术选型,产品报价,销售安装,工程售后,为您提供工业自动化一站式服务
自动化专业销售
Tel. 19925440503(微信同号) WhatsApp: +86 18576429229
联系工程师
扫码添加WhatsApp
